Locomotives
Locomotive Whistles
Accessories and Action Cars
Transformers
Misc Stuff
American Flyer HO
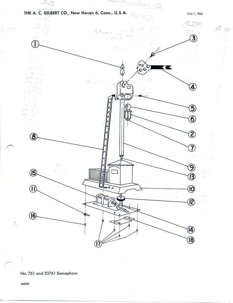
Accessories and Action Cars
10/25-26/20
Start slideshow
MyFlyerTrains HOME
Locomotive Whistles
Transformers
Share album
Accessories and Action Cars
Accessories and Action Cars